SAN FRANCISCAN
SF-Super 6
The San Franciscan SF-Super 6: 6lb/3kg US-Made Coffee Roaster

The SF Super 6 represents the next evolution of small-batch roasting.
Designed and built by the San Franciscan Roaster Co., this machine takes everything roasters love about the classic SF-6 and pushes it to new heights of performance and efficiency.
While the original SF-6 remains a global favorite among cafés and small roasteries, the SF Super 6 brings production-scale roasting to a compact format. With the ability to roast and cool simultaneously, you can roast more coffee per hour without compromising the craftsmanship, control, or legendary durability that define every San Franciscan Roaster.
Bigger Output, Same Legendary Craftsmanship
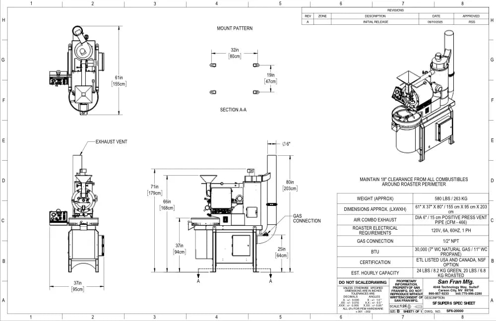
The SF Super 6 is engineered for performance. Built with precision in Carson City, Nevada, USA, this model can roast up to 24 pounds (10.89 kg) of green coffee per hour, producing 20 pounds (9.07 kg) of roasted coffee with unmatched consistency. It’s the ideal bridge between small-batch artistry and mid-sized production capability.
Its continuous roasting and cooling feature—borrowed from our larger commercial roasters—lets you move seamlessly from batch to batch. For busy cafés, growing roasteries, or small commercial operations, that means faster output, better heat retention, and smoother workflow.
Every Super 6 is hand-built using 100% American steel and components. Like all San Franciscan roasters, it’s built to last a lifetime.
Engineered for Roasters Who Demand More
- Every detail of the SF Super 6 has been designed with the roastmaster in mind:
- Continuous roasting and cooling: Roast and cool at the same time for greater hourly throughput.
- Hourly capacity: 8.2 kg (green coffee) / 6.8 kg (roasted coffee).
- BTU rating: 30,000 BTU with options for natural gas or propane.
- Air combo exhaust system: 6-inch positive pressure vent pipe with 466 CFM airflow.
- ETL listed for the USA and Canada, with an NSF option available.
- Electrical requirements: 120V, 6A, 60Hz, single-phase—simple to install and operate.
Ease of Use and Maintenance
The SF Super 6 is designed for the real-world demands of daily production. Like every San Franciscan Roaster, it features removable cooling trays, accessible chaff cyclones, and robust, easy-to-clean construction.
The ashtray at the front allows broken beans to be removed quickly, and the rear-mounted chaff cyclone makes cleaning more efficient than ever.
All key parts—motors, bearings, gas systems, and electrical components—are sourced from trusted American manufacturers such as Baldor, Honeywell, and Martin Bearings for maximum reliability and long-term serviceability.
Precision Control Meets Tradition
The Super 6 delivers full control over every roast variable.
Dual temperature probes monitor both bean mass and environment temperature, displayed simultaneously on dual digital meters. A high-quality gas pressure gauge provides accurate BTU monitoring, and the self-igniting burner ensures a smooth start to every roast.
Compatible with most major data-logging and roasting software, the SF Super 6 bridges traditional hands-on roasting with modern data-driven precision—empowering you to dial in your profiles with confidence.
Built for Performance. Crafted for Life
Every San Franciscan roaster is more than a machine—it’s a lifelong investment in craftsmanship. Each Super 6 is handcrafted from 100% schedule 40 steel, ensuring exceptional heat diffusion without warping or brittleness.
Each is powder-coated in your choice of color, creating a durable, customizable finish that looks as professional as it performs.
Designed, fabricated, and assembled in Carson City, Nevada, the SF Super 6 stands as a testament to American engineering excellence and the San Franciscan legacy of quality.
Choose the San Franciscan Roaster Company, Today!
The San Franciscan Roaster Company has built beautiful, robust roasters for specialty coffee professionals all around the world for decades. Every single one of our roasters is meticulously handcrafted to precise specifications, capable of roasting millions of pounds of coffee.
We use the best materials available to create roasters that will last a lifetime. The SF-Super 6 is one of the best small batch coffee roasters available today. Contact the San Franciscan Roaster Company to learn more about the SF-Super 6
It is Roasting Reinvented: Where Every Bean Tells a Story of Craftsmanship and Flavor.
Features of the San Franciscan Roaster™ Model SF-Super 6
- Crafted in the USA: Proudly built by San Fran Mfg. in Carson City, Nevada, the SF Super 6 embodies American craftsmanship—precision-engineered, hand-assembled, and built to last a lifetime.
- Continuous Roasting Power: Roast and cool simultaneously with our dual-chamber system—borrowed from larger production models—to dramatically increase hourly capacity without sacrificing control.
- Easy Maintenance, Cleaner Workflow: Features a rear-mounted chaff cyclone and removable cooling tray for effortless cleaning. The front-access ashtray makes it easy to remove broken beans and debris between batches.
- Self-Igniting & Safety Focused: Automatic self-igniting burner with an inspection port for flame monitoring. Designed with ETL certification for the U.S. and Canada, plus optional NSF compliance for foodservice environments.
- Precision Monitoring: Dual temperature probes track both bean mass and environment temperatures in real time. A dual-digital display and precision gas pressure gauge keep the roastmaster fully informed throughout each cycle.
- Data-Logging Ready: Fully compatible with popular roast profiling and data-logging software—combine traditional craft with advanced analytics to perfect every roast profile.
- Built Tough, Built Beautiful: Constructed from 100% schedule 40 steel for superior heat diffusion and longevity. The faceplates are crafted from ¼” steel, and every roaster is powder-coated in your choice of color for a durable, customizable finish.
- Premium Components: Equipped with U.S.-made Baldor motors, Honeywell controls, and Martin Bearings for unmatched reliability and long-term serviceability.
- Flexible & Efficient: Powered by 30,000 BTUs with natural gas or propane options. The 120V, single-phase electrical system makes installation simple in any workspace.
- Production-Grade Performance in a Compact Frame: Delivers up to 24 lbs (10.89 kg) of green coffee per hour, providing café owners and small-batch roasters with the performance of a production model in a manageable footprint.
Guaranteed for Life
Each San Franciscan Roaster™ is covered by a Lifetime Warranty on the materials and fabrication work performed by the Company. Additionally, all of our roasters come with guaranteed personal support for the roaster’s entire lifetime. This lifetime warranty applies solely to the materials and fabrication work performed by the Company. The warranty covers failures due to defects in materials or workmanship and is limited to repair or replacement of the defective parts.
All third-party components meanwhile, such as engines, bearings, and moveable parts incorporated in the Roaster are guaranteed to be free from defects in materials and workmanship under normal use and service for a period of one (1) year from the date of purchase. Though they are built to last a lifetime and usually do. While it is rare for our machines to face problems, our team is always available to troubleshoot and answer questions. Simply call or email us and a member of our support team will provide the necessary assistance in a quick, succinct manner.
SF-6 Image Gallery
"Thoroughly impressed by quality of their equipment and the level of customer car"
"I have been thoroughly impressed by quality of their equipment and the level of customer care we received. They have friendly staff, helped us troubleshoot electrical issues with our unit, and were able to diagnose and solve the issue each step of the way (thanks Alex!). We appreciate Bill’s leadership and taking care of all customers. "
Chelsea Fountain
(from Google reviews)
"Easy to clean, operate, troubleshoot....you name it"
We are a small batch roaster in Birmingham, AL, roasting on an SF-6. I couldn’t ask for a better roaster to roast on. I have roasted on many other brands and with the San Fran, I know what I’m going to get out of this machine every single roast and that it is going to roast coffee as well as I could possibly roast it. Easy to clean, operate, troubleshoot....you name it. But it’s built like a tank. It’s American Made so I know parts and service will never be an issue. And if I ever need to upgrade in size, I know that it holds its value. Not that I ever plan on parting with it. I never plan to buy any other roaster now besides a San Fran.











